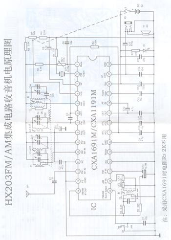
该收音机套件采用的1191双列28脚贴片封装的集成电路为主体,加上一些外围元件构成的微型低压收音机, 学校可以根据这个电路来讲解集成电路收音机的工作原理和知识, 这跟市面上的销售调频调幅收音机原理大同小异。1191包含了AM/FM收音机从天线输入至音频功率输出的全部功能。
本套件含有元件清单,原理图,学校批量买的还赠送一本制作指导书。
性级指示:
AM调幅部分 1.频率范围:525-1605KHz 2.中频频率:465KHz 3.灵敏度:≤3mv/m(26db S/N) FM调频部分 1.频率范围:64-108MHz (校园广播频率:) 2.中频频率:10.7MHz 3.灵敏度:≤30uv/m 4.工作电压:3V(5号电池二节) 5.静态电流:无讯号时20mA 6.输出功率:≥100mW

电路原理分析:
调幅(AM)部分:中波调幅广播信号邮磁棒天线线圈T1和可变电容C0、微调电容C01组成的调诣回路选择,送入IC第10脚。本振信号邮振荡线圈T2和可变电容C0、C04微调电容及与IC第5脚的内部电路组成的本机振荡器产生,并与由IC第10脚送入的中波调幅广播信号在IC内部进行混频,混频后产生的多种频率的信号,经过中频变压器T3















查看和发表评论 管理员一般会在8-48小时内回复,会删除无意义的留言以及重复留言,请保证留言标题清晰,内容明确! 1、评论不代表本站观点。 另外,即使是本站原创作品,本站也不保证内容绝对正确。 2、如果您拥有本文版权,并且不想在此处发表,请书面通知本站立即删除并且向您公开道歉! |