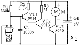
| 选择分类:当前分类——当前分类 相关联或者相类似的文章: 信号发生与频率测量09年技能大赛(1783) 数字电路循迹小车(1783) 十字旋转LED点阵套件制作说明(1783) 直流电机控制电路专辑(1783) 水位控制电路(898) 几种微型电机驱动电路实验和分析(884) 电话线路防盗报警器(865) 光电耦合器的应用(864) 节能型摩托车整流稳压器(860) 给彩电加装无线伴音发射装置(852) 电子灭蝇器(847) 利用TL431作大功率可调稳压电源(805) 电话转呼器(801) 论电视机代替万用表、示波器的可行性(794) 红外接收头的构造(770) 40kHZ超声波收发电路集锦(756) LM567集成电路的应用 (749) 金属接近开关(746) 单运放构成的单稳延时电路(744) 超声波测距精度的探讨(742) 首页 前页 后页 尾页 本站推荐: | 水位控制电路 最简单的水位传感元件是采用两个电极,当水面淹没电极时,利用不纯净水的导电性使电极之间导通,但导通电阻值较大,约50kΩ。 ![]() 水位自动控制电路 如图1所示。一级前置放大管VT1,在其基极输入很微弱的电流(10μA)就可以使VT1~3皆饱和导通。控制开关S可以用大头针做成两个电极,当其被水淹没而导电时,小电动机会自行运转。C1为旁路电容器,防止感应交流电对控制电路的干扰。VT1选用低噪音、高增益的小功率NPN硅管9014。根据上述电路水位控制的功能,能否设计成一个感知下雨自动关窗、自动收晾晒衣服绳索的自动控制器。 下偏置水自动控制电路 见图2。图中,将两个电极改接在VT1下偏置,R1仍为上偏置电阻器。当杯内水面低于两个电极时,相当于下偏置开路,R1产生的偏置电流使电动机起动。当水位上升到淹没电极时,两个电极之间被水导通,将R1产生的偏置电流旁路一部分,使VT1~3截止,电动机停转,与图1控制效果恰好相反。 ![]() 1、 本站不保证以上观点正确,就算是本站原创作品,本站也不保证内容正确。 2、如果您拥有本文版权,并且不想在本站转载,请书面通知本站立即删除并且向您公开道歉! |