注意:访问本站需要Cookie和JavaScript支持!请设置您的浏览器! 打开购物车 查看留言付款方式联系我们
初中电子 单片机教材一 单片机教材二
搜索上次看见的商品或文章:
商品名、介绍 文章名、内容
首页 电子入门 学单片机 免费资源 下载中心 商品列表 象棋在线 在线绘图 加盟五一 加入收藏 设为首页
本站推荐:
4. 广告灯的左移右移
文章长度[] 加入时间[2008/5/30] 更新时间[2026/4/21 10:39:49] 级别[0] [评论] [收藏]
 
1.      实验任务
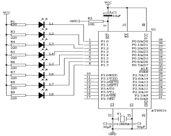
做单一灯的左移右移,硬件电路如图4.4.1所示,八个发光二极管L1-L8分别接在单片机的P1.0-P1.7接口上,输出“0”时,发光二极管亮,开始时P1.0→P1.1→P1.2→P1.3→┅→P1.7→P1.6→┅→P1.0亮,重复循环。
2.      电路原理图
图4.4.1
3.      系统板上硬件连线
把“单片机系统”区域中的P1.0-P1.7用8芯排线连接到“八路发光二极管指示模块”区域中的L1-L8端口上,要求:P1.0对应着L1,P1.1对应着L2,……,P1.7对应着L8。
4.      程序设计内容
我们可以运用输出端口指令MOV P1,A或MOV P1,#DATA,只要给累加器值或常数值,然后执行上述的指令,即可达到输出控制的动作。
每次送出的数据是不同,具体的数据如下表1所示

P1.7
P1.6
P1.5
P1.4
P1.3
P1.2
P1.1
P1.0
说明
L8
L7
L6
L5
L4
L3
L2
L1
1
1
1
1
1
1
1
0
L1亮
1
1
1
1
1
1
0
1
L2亮
1
1
1
1
1
0
1
1
L3亮
1
1
1
1
0
1
1
1
L4亮
1
1
1
0
1
1
1
1
L5亮
1
1
0
1
1
1
1
1
L6亮
1
0
1
1
1
1
1
1
L7亮
0
1
1
1
1
1
1
1
L8亮

表1
5.      程序框图
图4.4.2
6.      汇编源程序
                   ORG 0
START:             MOV R2,#8
                   MOV A,#0FEH
                   SETB C
LOOP:              MOV P1,A
                   LCALL DELAY
                   RLC A
                   DJNZ R2,LOOP
                   MOV R2,#8
LOOP1:             MOV P1,A
                   LCALL DELAY           
                   RRC A
                   DJNZ R2,LOOP1
                   LJMP START
DELAY:             MOV R5,#20             ;
D1:                MOV R6,#20
D2:                MOV R7,#248
                   DJNZ R7,$
                   DJNZ R6,D2
                   DJNZ R5,D1
                   RET
                   END
7.      C语言源程序
#include <AT89X51.H>
unsigned char i;
unsigned char temp;
unsigned char a,b;
void delay(void)
{
  unsigned char m,n,s;
  for(m=20;m>0;m--)
  for(n=20;n>0;n--)
  for(s=248;s>0;s--);
}
void main(void)
{
  while(1)
    {
      temp=0xfe;
      P1=temp;
      delay();
      for(i=1;i<8;i++)
        {
          a=temp<<i;
          b=temp>>(8-i);
          P1=a|b;
          delay();
        }
      for(i=1;i<8;i++)
        {
          a=temp>>i;
          b=temp<<(8-i);
          P1=a|b;
          delay();
        }
    }
}
1、 本站不保证以上观点正确,就算是本站原创作品,本站也不保证内容正确。
2、如果您拥有本文版权,并且不想在本站转载,请书面通知本站立即删除并且向您公开道歉! 以上可能是本站收集或者转载的文章,本站可能没有文章中的元件或产品,如果您需要类似的商品请 点这里查看商品列表!
本站协议 | 版权信息 |  关于我们 |  本站地图 |  营业执照 |  发票说明 |  付款方式 |  联系方式
深圳市宝安区西乡五壹电子商行——粤ICP备16073394号-1;地址:深圳西乡河西四坊183号;邮编:518102
E-mail:51dz$163.com($改为@);Tel:(0755)27947428
工作时间:9:30-12:00和13:30-17:30和18:30-20:30,无人接听时可以再打手机13537585389