注意:访问本站需要Cookie和JavaScript支持!请设置您的浏览器! 打开购物车 查看留言付款方式联系我们
初中电子 单片机教材一 单片机教材二
搜索上次看见的商品或文章:
商品名、介绍 文章名、内容
首页 电子入门 学单片机 免费资源 下载中心 商品列表 象棋在线 在线绘图 加盟五一 加入收藏 设为首页
本站推荐:
超微型贴片FM发射片(无线高灵敏度监听)
文章长度[] 加入时间[2007/7/11] 更新时间[2026/4/19 13:03:53] 级别[0] [评论] [收藏]

超微型贴片FM发射片(无线高灵敏度监听)

分类:默认栏目

性能指标:
体积:25X10X2毫米
工作电压:1.5V~6V
工作电流:10mA~50mA
发射距离:50~500米
发射频率:103.8MHZ


器件提供:http://www.eelike.com/cp/fm4.htm


器件提供:http://www.eelike.com/cp/fm4.htm

电脑音频无线发射器(USB供电)

分类:默认栏目


器件提供:http://www.eelike.com/


解放双手,自由无线——




  在屋子内,无论走到什么地方都能享受到立体声音乐,接收距离远达 30 米。使用一个这样的电脑音频无线发射器的话就意味着当你在档案柜中查阅档案资料时也可来收听电脑音乐、网络课程、网络电台,甚至是你在给自己倒咖啡时也行,早餐, 活动, 布置家居都不会受到音源线的限制。使用它可以提高的工作效率,对于有便利至上的商务人事来说,发挥着更大的作用。








   核芯采用的是ROHM公司生产的BH1417F芯片。后级采用了一级低噪声射频放大电路,模块的采用了SMT加工工艺,使得这款模块性能非常优秀,声音讯号可穿透墙壁,物体等障碍,无角度限制。距离长达30米,可以任意走动,音质依然清晰、优美。发射器电源取自电脑主机,无需电池供电,是一款非常实用的调频立体声发射器件。







使用方法:




1、将发射器的音频线插入电脑的声卡输出插孔(绿色)。







2、将发射器的USB线插入电脑的任意一个USB插孔。







3、打开调频收音机,或者带有收音功能的手机、MP3,将接收频率调到标签所标的频率值上即可听到清晰的高保真立体声音乐了。

声控调频监听发射模块(9V远距离)

分类:默认栏目



1、作为防盗系统使用,一旦有区域内有声响,立即启动监听和FM调频发射电路,同时远端的自动接收机(或FM收音机)开启,立刻监听现场的细微动静。

 2、当环境声响波动时,才启动监听和FM调频发射电路,平时发射电路不工作,耗电极微,电池可以使用很长时间。

 3、发射距离远。采用9V高电压供电,直线发射距离可达300米。

 4、外观精美,背面可用双面胶纸粘贴在桌子底下下或者窗边、墙上,安装简单快捷。

5、可自由定制和调校发射频率。如果不想让普通收音机收到信号,可以调校频率避开普通FM广播频段(88Mhz~108Mhz),然后使用特殊接收机接收。




9V微型调频发射模块(远距离无线监听)

分类:默认栏目

 
套件提供:http://www.eelike.com/cp/fm.htm


工作电压:9V
发射电流:30mA
发射距离:300米

主要应用:
1、婴儿守护:模块放置在婴儿睡觉或者玩耍的房间,大人可在其它房间或厨房监听其动态。
2、防盗监听:模块放置在走廊、庭院、过道或者仓库,可在寝室、保安房监听其动态。
3、耳聋助听器:模块配备便携式FM收音机即可用于耳聋助听器,有很高的助听灵敏度。
4、服务对讲:模块配备便携式FM收音机即可用于商场、超市、酒店服务员之间无线对讲。
5、无线话筒:用于教师讲课、演讲、会议以及电声乐器的拾音等用途。
6、设备监控:放置在动力机房中监听电机轴承噪声和震动,用带有信号电平指示的接收机可实现 联动监控,连接继电器控制接触器的电路,当电平大于危险指标时联动电路动作。
7、监听前端:模块作为前端拾取微弱声音信号,发送的信号经附近的大功率无线发射机转发后实现远程无线监听系统。

模块的监听灵敏度大大高于人耳,在安静地环境下可以听到1米以外石英钟走动“滴嗒”声。 微型高效率调频发射模块FM1的体积只有20X45X6毫米(其中高度仅指器件中的最高点),工作电压为3~9伏,对应的工作电流4~50毫安,发射距离:9伏时开阔地大于600米,工作频率预调在98MHZ,通过调整电感线圈(电路板中央的线圈)可以使发射频率在70~120MHZ之间,线圈拉升时发射频率上升,压缩时发射频率下降。

如何避开普通FM广播频段:
如果不想让普通收音机收到信号,可以调校频率避开普通FM广播频段(88Mhz~108Mhz),然后使用特殊收音机接收,这里推荐德生的R-202T 袖珍式调频/调幅电视伴音收音机,

它的调频(FM)接收频率范围是 64 - 108兆赫(MHz),可以将发射模块的频率调在88兆赫(MHz)以下。


当希望发射模块发射距离最远时需要注意:发射模块最好离地面5米以上,可以明显增加发射距离。如果天线采用用有线电视馈线制作的半波同轴天线并架设在室外高处可以显著增大发射距离。
FM1如果用9V叠层电池或者用两节微型钮扣电池AG13可连续工作10小时以上。模块如果采用两节7号电池供电,可以连续使用1周。
用叠层电池供电由于电池放电过程中电压变化过大,频率可能会有相应偏移,如果用手机电池或者稳压电源供电效果更佳。

实际测试:
FM1调频模块只要扣上一节9V叠层电池就可以正常工作了,考虑使用方便,可以用软导线做天线。
测试地点:居民新村的4楼客厅,和室外隔一道砖混结构的墙。工作电压9伏,测试音源:石英钟走动的“滴嗒”声,测试效果:在200米内能收到监听信号,少数位置有死点(寂静点)接收位置改变时会影响接收频率(可能是无线电信号到达接收点的传输路径不同),如果接收地点固定不变时接收频率很稳定,有人在发射机附近走动不会影响发射频率,但是手捏发射天线发射频率会轻微改变。如果发射机和接收机中间没有遮挡物时距离很远,大于600米,有遮挡物时一般不能超过2~3幢新村楼房。注意事项:
调频接收机的接收灵敏度很大程度上影响调频发射模块的传输距离,市场上一般的电调谐收音机接收FM1效果不是很好,主要是自动锁台锁不住,所以建议使用手动调谐的。一般普通的调频接收机灵敏度不是很高,一般能在空旷地200米内能接收,经过测试,发现用高性能的德劲DE1102或者德生PL-200调频接收机效果非常不错,能在600米以内接收到,我们采用高性能的汽车调频收音机,曾经在800米以接收到FM1的信号。

使用说明:

1、安装电池:
为了达到更好的发射距离,模块引出的是9V叠层电池扣,

只需直接扣上9V叠层电池,就可以使用了:

2、将卷缩的天线拉直拉长。


3、将模块放置在收音机旁边,打开FM调频收音机(不用耳机),在标签频率附近搜索,当出现啸叫声时表示已经调到发射频率范围内了。

4.如果发射频率与本地广播频率重叠或相近,则需要微调发射频率:
用镊子或牙签轻轻拨动下图的电感线圈(电路板中间的线圈),线圈拉开时发射频率上升,压缩时发射频率下降。

电话分线盒(内置无线监听发射模块)

分类:默认栏目

 
器件提供:http://www.eelike.com/cp/TEL.htm
外形是一个一进三出的分线盒,尺寸:6.8cmX5cmX2cm  1、安装简单,只需将电话插头插入设备,设备插头再插回电话,几秒钟即可搞定。 2、当摘下话筒,设备既接通工作。 3、设备使用电话线电源供电,无需电池供电。 4、发射距离远,发射频率可以随意调整,也可以调整到普通收音机不可接收的频段,用特殊收音机接收。 5、使用收录机接收就可以很容易清晰录制电话讲话的内容。 如何避开普通FM广播频段:如果不想让普通收音机收到信号,可以调校频率避开普通FM广播频段(88Mhz~108Mhz),然后使用特殊收音机接收,这里推荐德生的R-202T 袖珍式调频/调幅电视伴音收音机,它的调频(FM)接收频率范围是 64 - 108兆赫(MHz),可以将发射模块的频率调在88兆赫(MHz)以下。 器件提供:http://www.eelike.com/cp/TEL.htm

微型贴片FM发射片(无线高灵敏度监听)

分类:默认栏目

套件提供:http://www.eelike.com/cp/fm2.htm 微型贴片调频发射片的监听灵敏度高于人耳,在安静地环境下可以听到1米以外石英钟走动“滴嗒”声。微型贴片调频发射片的监听灵敏度决定于话筒的偏置电阻,如果你需要监听灵敏度低一点,如:老师用无线话筒,可以将模块的话筒偏置电阻R1增大至56K,偏置电阻的阻值可以在3.3K~200K之间选择,阻值越小,话筒的灵敏度越高。微型贴片调频发射片体积只有1.2X4X0.6毫米,大小和小手指差不多,工作电压为3~9伏,对应的工作电流4~50毫安,发射距离:9伏时开阔地大于200米,工作频率预调在88.8MHZ,通过调整电感线圈可以使发射频率在70~110MHZ之间,线圈拉升时发射频率上升,压缩时发射频率下降。 当希望微型贴片调频发射片发射距离最远时需要注意:微型贴片调频发射片最好离地面5米以上,可以明显增加发射距离。如果天线采用用有线电视馈线制作的半波同轴天线并架设在室外高处可以显著增大发射距离。 注意事项: 调频接收机的接收灵敏度很大程度上影响微型贴片调频发射片的传输距离,市场上一般的电调谐收音机接收微型贴片调频发射片效果不是很好,主要是自动锁台锁不住,所以建议使用手动调谐的。一般普通的调频接收机灵敏度不是很高,一般能在空旷地100米内能接收,经过测试,发现用高性能的德劲DE1102或者德生PL-200调频接收机效果非常不错,能在400米以内接收到,采用高性能的汽车调频收音机,曾经在500米接收到微型贴片调频发射片的信号。微型贴片调频发射片用9V叠层电池可连续工作10小时以上。接收机最好采用手调谐的调频收音机,可以补偿轻微的频飘。近距离使用时必须用耳机监听,否则由于声音反馈,容易形成自激啸叫。 主要应用: 1、婴儿守护:模块放置在婴儿睡觉或者玩耍的房间,大人可在其它房间或厨房监听其动态。 2、防盗监听:模块放置在走廊、庭院、过道或者仓库,可在寝室、保安房监听其动态。 3、耳聋助听器:模块配备便携式FM收音机即可用于耳聋助听器,有很高的助听灵敏度。 4、服务对讲:模块配备便携式FM收音机即可用于商场、超市、酒店服务员之间无线对讲。 5、无线话筒:用于教师讲课、演讲、会议以及电声乐器的拾音等用途。 6、设备监控:放置在动力机房中监听电机轴承噪声和震动,用带有信号电平指示的接收机可实现 联动监控,连接继电器控制接触器的电路,当电平大于危险指标时联动电路动作。 7、监听前端:模块作为前端拾取微弱声音信号,发送的信号经附近的大功率无线发射机转发后实现远程无线监听系统。 套件提供:http://www.eelike.com/cp/fm2.htm

微型高效调频发射模块(无线监听)

分类:默认栏目

 
套件提供:http://www.eelike.com/cp/fm.htm
模块的监听灵敏度大大高于人耳,在安静地环境下可以听到1米以外石英钟走动“滴嗒”声。 微型高效率调频发射模块FM1的体积只有20X45X6毫米(其中高度仅指器件中的最高点),工作电压为3~9伏,对应的工作电流4~50毫安,发射距离:9伏时开阔地大于600米,工作频率预调在98MHZ,通过调整电感线圈(电路板中央的线圈)可以使发射频率在70~120MHZ之间,线圈拉升时发射频率上升,压缩时发射频率下降。主要应用: 1、婴儿守护:模块放置在婴儿睡觉或者玩耍的房间,大人可在其它房间或厨房监听其动态。 2、防盗监听:模块放置在走廊、庭院、过道或者仓库,可在寝室、保安房监听其动态。 3、耳聋助听器:模块配备便携式FM收音机即可用于耳聋助听器,有很高的助听灵敏度。 4、服务对讲:模块配备便携式FM收音机即可用于商场、超市、酒店服务员之间无线对讲。 5、无线话筒:用于教师讲课、演讲、会议以及电声乐器的拾音等用途。 6、设备监控:放置在动力机房中监听电机轴承噪声和震动,用带有信号电平指示的接收机可实现 联动监控,连接继电器控制接触器的电路,当电平大于危险指标时联动电路动作。 7、监听前端:模块作为前端拾取微弱声音信号,发送的信号经附近的大功率无线发射机转发后实现远程无线监听系统。



如何避开普通FM广播频段:如果不想让普通收音机收到信号,可以调校频率避开普通FM广播频段(88Mhz~108Mhz),然后使用特殊收音机接收,这里推荐德生的R-202T 袖珍式调频/调幅电视伴音收音机,





它的调频(FM)接收频率范围是 64 - 108兆赫(MHz),可以将发射模块的频率调在88兆赫(MHz)以下。



当希望发射模块发射距离最远时需要注意:发射模块最好离地面5米以上,可以明显增加发射距离。如果天线采用用有线电视馈线制作的半波同轴天线并架设在室外高处可以显著增大发射距离。 FM1如果用9V叠层电池或者用两节微型钮扣电池AG13可连续工作10小时以上。模块如果采用两节7号电池供电,可以连续使用1周。 用叠层电池供电由于电池放电过程中电压变化过大,频率可能会有相应偏移,如果用手机电池或者稳压电源供电效果更佳。 实际测试: FM1调频模块只要扣上一节9V叠层电池就可以正常工作了,考虑使用方便,可以用软导线做天线。 测试地点:居民新村的4楼客厅,和室外隔一道砖混结构的墙。工作电压9伏,测试音源:石英钟走动的“滴嗒”声,测试效果:在200米内能收到监听信号,少数位置有死点(寂静点)接收位置改变时会影响接收频率(可能是无线电信号到达接收点的传输路径不同),如果接收地点固定不变时接收频率很稳定,有人在发射机附近走动不会影响发射频率,但是手捏发射天线发射频率会轻微改变。如果发射机和接收机中间没有遮挡物时距离很远,大于600米,有遮挡物时一般不能超过2~3幢新村楼房。注意事项: 调频接收机的接收灵敏度很大程度上影响调频发射模块的传输距离,市场上一般的电调谐收音机接收FM1效果不是很好,主要是自动锁台锁不住,所以建议使用手动调谐的。一般普通的调频接收机灵敏度不是很高,一般能在空旷地200米内能接收,经过测试,发现用高性能的德劲DE1102或者德生PL-200调频接收机效果非常不错,能在600米以内接收到,我们采用高性能的汽车调频收音机,曾经在800米以接收到FM1的信号。





使用说明:



1、安装电池: 为了达到更好的发射距离,模块引出的是9V叠层电池扣,





只需直接扣上9V叠层电池,就可以使用了:





2、将卷缩的天线拉直拉长。 3、将模块放置在收音机旁边,打开FM调频收音机(不用耳机),在标签频率附近搜索,当出现啸叫声时表示已经调到发射频率范围内了。





如果发射频率与本地广播频率重叠或相近,则需要微调发射频率: 用镊子或牙签轻轻拨动下图的电感线圈(电路板中间的线圈),线圈拉开时发射频率上升,压缩时发射频率下降。

4、将发射模块远离接收机,再微调接收频率使音质最佳,如果音量开大后还有啸叫声,说明模块离接收机还不够远,这时候需要用耳机来监听。

FM调频专用高增益发射天线

分类:默认栏目

器件提供:http://www.eelike.com
这是一款发射效率较高的调频发射天线,可置室内,也可放置室外,还可悬挂在空中,其各振子可根据发射频率进行收拉,使其有效地和发射机的发射频率产生谐振,实现较高的发射效率; 五根振子的长度均为85CM可伸缩,适合更宽的发射频率调整。 对于不同的发射频率,每根振子拉出的长度为75/f * 0.96 ,中间那根向上拉出,周围四根向下倾斜45度拉出。比如发射频率为105MHZ,那么每根振子得拉:(75/105)*0.96 =0.685米,当你感觉自己的调频发射机的发射距离不尽人意,接上此天线可起到立竿见影的效果。







器件提供:http://www.eelike.com

数控大功率(5W)全频段调频立体声发射机

分类:默认栏目

套件提供:http://www.eelike.com/cp/fm5W.htm
采用日本ROHM公司新一代调频立体声无线发射芯片(BH1415F)制作,后级经2个2SC3355、1个2SC2053和1个2SC1971(全为原装正品)共四级功率放后输出,全部使用高频双面线路设计,保证了整机的高性能发射。操作简单,接线容易。前面板的发射频率显示采用高亮度4位LED数码管,显示精度为0.1Mhz,步进为100Khz,通过其下方的“UP”及“DOWN”两个轻触开关来调节频率的上调和下调,快速、直观。

套件提供:http://www.eelike.com/cp/fm5W.htm

整机参数:
发射频率:88Mhz-108Mhz (中心发射频率为100Mhz),用户可在此范围内自行任意设定,无须任何调整;
工作电压:9V-15V,建议使用12V;
工作电流:<1.3A;
发射功率:1-5W,100Mhz中心发射频率±5Mhz内,使用12V电压可保证4W输出,15V时输出达5W,超出中心发射频率范围外的发射功率会略有下降;
预加重延时:50us;
低通频率:15Khz;
分离度 :40dB;
失真度 :0.1%;
调制度 :15%;
输入电平:-13dBV;
整机重量:460g;
整机尺寸:141mm(L)×77mm(W)×49mm(H)。


目前大多数高校校内用的调频广播发射器,发射频率固定单一,稳定性差。本品设计了可在88.0 MHZ至110.0MHZ范围内任意设置发射频率的数控调频发射器,可预置11个频道,发射频率调整最小值为0.1MHZ,具有单声道/立体声控制,比传统调频台应用更灵活可靠,可广泛应用于学校无线广播、电视现场导播、汽车航行、无线演说等。
1 系统的硬件设计
1.1单片机控制部分
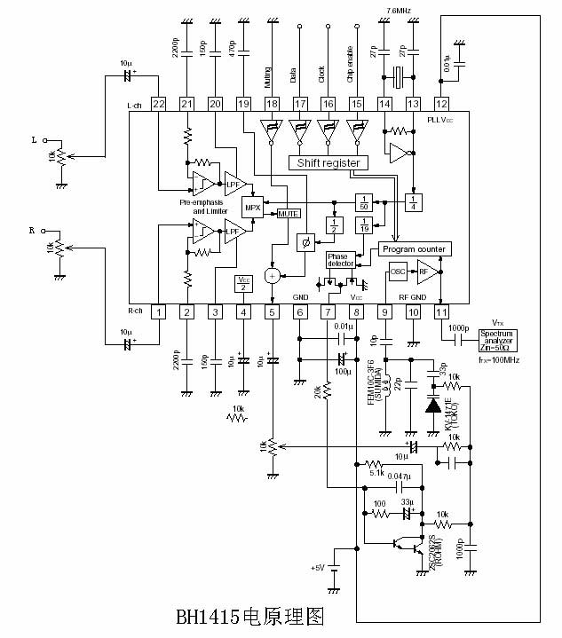
单片机采用AT89C52,采用最小化应用系统设计,P0口和P2口作为共阳LED数码管驱动用,P1口作为16键的键盘接口,其中T0—T3分别为百位、十位、个位、小数位的频率操作键,T4—T14为发射频率预置键,T15为单声道/立体声控制键。 P3.0、P3.1、P3.2作为与HB1415的通讯端口,用于传送发射频率控制数据,P3.3用于立体声发射批示。采用12MHZ晶振,模拟串口通讯。单片机控制部分电路如图1

套件提供:http://www.eelike.com/cp/fm5W.htm 1.2调频调制发射部份
采用Rohm公司最新生产的调频发射专用集成电路BH1415F,内含立体声信号调制、调频广播信号发射电路,BH1415F内有前置补偿电路、限制器电路、低通滤波电路等,因此具有良好的音色,内置PLL系统调频发射电路,传输频率非常稳定。调频发射频率可用单片机通过串行口直接控制。BH1415F各引脚的功能如表1,应用电路如图2。

各脚描述 直流(V)
1 右声道输入端:通过电容器与右声道音频信号相连 1/2VCC
2 左音源输入端:通过电容器与左声道音频信号相连
2,21 时间常数端:它连接一个电容为时间常数τ=22.7kΩC
3,20 LPF 时间常数端:这是15KHz LPF.它连接150P 电容 1/2VCC
4 滤波器端:它是声频部份滤波器叁考电压 1/2VCC
5 立体声复合信号输出端:它连接到调频调制器 1/2VCC
6 接地端 GND
7 PLL相位检波器输出端:它连接到PLL LPF电路 -
8 电源供给端 Vcc
9 射频振荡器端:这是振荡器基端,它连接振荡时间常数 4/7Vcc
10 射频地端 GND
11 射频发送输出端 Vcc-1.9
12 PLL电源供给端 Vcc
13,14 X’tal 振荡器端:它连接一个7.6MHz 晶振 -
15 芯片授权端:连续输入高电平数据
16 时钟输入端:带数据和同步的时钟在序列数据输入。
17 数据输入端
18 静音端:0.8Vcc≤ Pin18 : Mute ON 0.2VCC≥ Pin18 : Mute OFF
19 控制信号调节端 1/2Vcc

出的调频调制信号经高频放大后由天线发射输出,后级高频放大器的功率可根据接收的距离范围考虑。
1. 3电源系统
采用单片机控制的数字调频台功耗很小,可用7805三端稳压块分别对单片机和BH1415F电路单独供电,电源变压器功率大于10W即可。集成块电源脚就近应接0.1μF的瓷片电容。

2单片机的软件设计
2.1主要程序模块
1)键盘扫描程序:采用4*4行列式查询法。
2)显示程序:采用动态扫描法显示4位频率数字值。
3)串行通讯程序:由十进制BCD码转二进制程序、16位频率控制字节合成程序、模拟异步串行发送程序组成。
2.2 BH1415F串行通讯格式
BH1415F的频率控制码为16位,其传送格式要求如图3,其中D0—D10为频率控制数据,其值乘0.1即为BH1415F的输出频率(单位MHZ)。

D11—D15为控制位,其中D11(MONO)位为单声道/立体声控制位,当0时为单声道发射模式,1时为立体声发射模式。D12(PD0)、D13(PD1)位用于相位控制,通常为0,当分别为01和10时可使发射频率在最低和最高处。D14(T0)和D15(T1)为测试模式控制用,通常为00,当为10时为测试模式。 以下是单片机与BH1415F通讯用的控制字节发送源程序:
PUT: MOV R3,#8 ;发送8位控制
CLR C ;清C
PUT1: RRC A ;带进位位右移(先发低位)
MOV P3.0,C ;低位送至P3.0口
NOP ;延时4微秒
NOP ;
NOP ;
NOP ;
SETB P3.1 ;锁存数据(上升沿时锁存数据) ">

红外探测无线防盗监听器(内置无线调频发射模块)

分类:默认栏目

器件提供:http://www.eelike.com 1、可作为防盗系统单独使用,一旦有人侵入探测区域内,立即启动监听和FM调频发射电路立即启动,同时远端的自动接收机(或FM收音机)开启,立刻监听现场的细微动静。 2、当探测到人体动作时,才启动监听和FM调频发射电路,房间内没有人发射电路不工作,耗电极微,电池可以使用很长时间。 3、发射距离远。采用9V高电压供电,直线发射距离可达300米。 4、可自由定制和调校发射频率。如果不想让普通收音机收到信号,可以调校频率避开普通FM广播频段(88Mhz~108Mhz),然后使用特殊接收机接收。

红外感应式探测器原理

在电子防盗、人体探测器领域中,被动式热释电红外探测器的应用非常广泛,因其技术性能稳定而受到广大用户和专业人士的欢迎。

被动式热释电红外探头的工作原理及特性:

人体都有恒定的体温,一般在37度,所以会发出特定波长10UM左右的红外线,被动式红外探头就是靠探测人体发射的10UM左右的红外线而进行工作的。人体发射的10UM左右的红外线通过菲泥尔滤光片增强后聚集到红外感应源上。红外感应源通常采用热释电元件,这种元件在接收到人体红外辐射温度发生变化时就会失去电荷平衡,向外释放电荷,后续电路经检测处理后就能产生报警信号。

1)这种探头是以探测人体辐射为目标的。所以热释电元件对波长为10UM左右的红外辐射必须非常敏感。
2)为了仅仅对人体的红外辐射敏感,在它的辐射照面通常覆盖有特殊的菲泥尔滤光片,使环境的干扰受到明显的控制作用。
3)被动红外探头,其传感器包含两个互相串联或并联的热释电元。而且制成的两个电极化方向正好相反,环境背景辐射对两个热释元件几乎具有相同的作用,使其产生释电效应相互抵消,于是探测器无信号输出。
4)一旦人侵入探测区域内,人体红外辐射通过部分镜面聚焦,并被热释电元接收,但是两片热释电元接收到的热量不同,热释电也不同,不能抵消,经信号处理而报警。
5)菲泥尔滤光片根据性能要求不同,具有不同的焦距(感应距离),从而产生不同的监控视场,视场越多,控制越严密。

优点:本身不发出任何类型的辐射,器件功耗很小,隐蔽性好。

器件提供:http://www.eelike.com

FM调频自动接收机

分类:默认栏目


器件提供:http://www.eelike.com
1、有FM调频信号自动开机,无信号自动关机。
2、原装日本SONY专用芯片,灵敏度优于 10微伏(μv)


3、 4欧姆2W大喇叭,声音洪亮,音质极佳,享受发烧级HI—HI音质,如果光用耳朵听,很难把这样好的音质、这样大的音量和小收音机联系在一起,一般都会误为音响发出的。


1、 本站不保证以上观点正确,就算是本站原创作品,本站也不保证内容正确。
2、如果您拥有本文版权,并且不想在本站转载,请书面通知本站立即删除并且向您公开道歉! 以上可能是本站收集或者转载的文章,本站可能没有文章中的元件或产品,如果您需要类似的商品请 点这里查看商品列表!
本站协议 | 版权信息 |  关于我们 |  本站地图 |  营业执照 |  发票说明 |  付款方式 |  联系方式
深圳市宝安区西乡五壹电子商行——粤ICP备16073394号-1;地址:深圳西乡河西四坊183号;邮编:518102
E-mail:51dz$163.com($改为@);Tel:(0755)27947428
工作时间:9:30-12:00和13:30-17:30和18:30-20:30,无人接听时可以再打手机13537585389