注意:访问本站需要Cookie和JavaScript支持!请设置您的浏览器! 打开购物车 查看留言付款方式联系我们
初中电子 单片机教材一 单片机教材二
搜索上次看见的商品或文章:
商品名、介绍 文章名、内容
首页 电子入门 学单片机 免费资源 下载中心 商品列表 象棋在线 在线绘图 加盟五一 加入收藏 设为首页
本站推荐:
Easy 51Pro 单片机编程器的制作与使用
文章长度[2676] 加入时间[2006/7/1] 更新时间[2026/4/20 22:21:40] 级别[3] [评论] [收藏]








 

成都 学友


用户编制的程序必须先通过汇编软件(有关5l系列单片机集成调试软件KEIL μVision2的使用,请读者参考《电子报》2005年第11~13期第十一版《单片机仿真调试软件KEIL μVision2的使用》一文)编译成单片机能够识别的目标代码,即机器码程序,然后写入到单片机的程序存储器中才能由单片机对系统进行控制,这就需要单片机的写入器。

本文介绍一款Easy 51Pro单片机编程器的制作与使用,该编程器制作简单、使用方便、工作可靠、价格便宜,非常适合于初学者使用。


一、Easy 5lPro编程器的组成


Easy 51Pro编程器由运行于PC机上的编程软件和下载线两部分组成。编程软件完成器件选择、下载线选择、通信协议设置、目标代码文件的读入、保存,并拾出所执行操作的运行结果。下载线连接PC机与待编程单片机,用于传送器件的读、写、校验、擦除、加密等信号。此外,在设计用户板时,还要将待编程单片机引脚中与ISP编程相关的信号线按照规定的排序接到印制板编程插座的对应位置上,才能确保编程的正确。在第五讲的硬件电路图中,J2便是其ISP编程接口。


二、下载线的制作


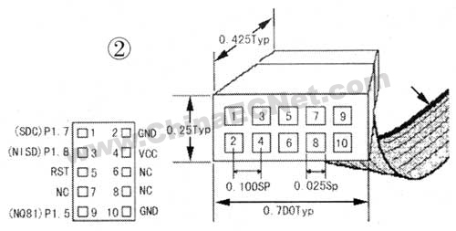
ISP下载线的电路图如图l所示。左边接标准的25芯插头(针),右边接如图2所示的10芯插头(针),将该插头通过一根1.2米左右的10芯扁平电缆与另一个同规格的10芯插头(孔)相连,一根ISP下载线就制作完成了。










三、编程软件的安装和使用

1.Easy 5lPro安装


先将压缩文件包Easyl_51Pro_v201解压,再将解压后的文件夹Easy_51Pro_v20l\Easy 51Pro v2.0宇宙版\软件\中的Easy 51Pro文件设置为桌面快捷方式,之后就可以点击PC机桌面上的Easy 51Pro快捷图标运行该程序了。


2.Easy 51Pro的使用


(1)系统连接


将下载线的一端接PC机的并行通信口.另一端接用户板的ISP编程接口,并接通用户板电源。


(2)编程软件的使用。双击Easy 51Pro快捷图标,弹出如图3所示的主窗口,左上方是检测器件选择栏,目前支持的器件有AT89S51、AT89S52、89C51、89C52、89C2051、89C2052等。下面介绍具体操作。


1)编程器设置


点击图3下方的"设置",出现图4所示的编程器设置栏。点击"编程器类型"及右侧的下拉键,选择"使用"Easy ISP下载线"。









2)选择器件

点击检测器件的下拉键,在器件列表中选择与用户板中的单片机一致的型号,这里选AT89S52。


3)读入目标代码文件


点击"(自动)打开文件",选择目标代码文件的类型(.hex或.bin)、文件所在路径及文件名,按"打开"键,目标代码文件便被装入缓冲区l中。


4)读器件


点击"读器件",用户板上的单片机程序存储器中的内容将被读到缓冲区2中。


5)擦除器件


按"(自动)擦除器件"键,程序开始擦除单片机程序储存器中的内容.并给出擦除的结果。


6)写器件


按"(自动)写器件"键,程序自动将缓冲区1中的内容写入到用户板中的单片机内,并给出写入的结果。

7)数据检验


按"自动校验数据"键,程序将对用户板中单片机内的程序与缓冲区1中的内容进行比较,并给出比较结果的提示。


五、程序运行


关闭用户板电源,拔掉下载线与用户板的连接插头后,在接通用户板电源,就可以看见用户板上的单片机能正常工作了。

1、 本站不保证以上观点正确,就算是本站原创作品,本站也不保证内容正确。
2、如果您拥有本文版权,并且不想在本站转载,请书面通知本站立即删除并且向您公开道歉! 以上可能是本站收集或者转载的文章,本站可能没有文章中的元件或产品,如果您需要类似的商品请 点这里查看商品列表!
本站协议 | 版权信息 |  关于我们 |  本站地图 |  营业执照 |  发票说明 |  付款方式 |  联系方式
深圳市宝安区西乡五壹电子商行——粤ICP备16073394号-1;地址:深圳西乡河西四坊183号;邮编:518102
E-mail:51dz$163.com($改为@);Tel:(0755)27947428
工作时间:9:30-12:00和13:30-17:30和18:30-20:30,无人接听时可以再打手机13537585389