注意:访问本站需要Cookie和JavaScript支持!请设置您的浏览器! 打开购物车 查看留言付款方式联系我们
初中电子 单片机教材一 单片机教材二
搜索上次看见的商品或文章:
商品名、介绍 文章名、内容
首页 电子入门 学单片机 免费资源 下载中心 商品列表 象棋在线 在线绘图 加盟五一 加入收藏 设为首页
本站推荐:
调频对讲机电路
文章长度[2268] 加入时间[2006/7/1] 更新时间[2026/2/3 0:07:03] 级别[3] [评论] [收藏]








   

 

 


 


摘自电子世界


 


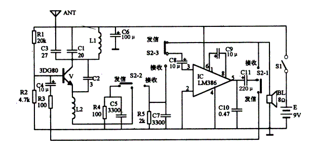
这里介绍的调频对讲机电路在开阔地的对讲距离大于100m,并可与调频收音机配合作无线话筒使用。


电路如图所示。



三极管V和电感线圈L1、电容器C1、C2等组成电容三点式振荡电路,产生频率约为100MHz的载频信号。集成功放电路LM386和电容器C8、C9、C10、Cll等组成低频放大电路。扬声器BL兼作话筒使用。电路工作在接收状态时,将收/发转换开关置于“接收”位置,从天线ANT接收到的信号经三极管V、电感线圈L1、电容器C1、C2及高频阻流圈L2等组成的超再生检波电路进行检波。检波后的音频信号,经电容器C8耦合到低频放大器的输入端,经放大后由电容器Cll耦合推动扬声器BL发声。


电路工作在发信状态时,S2置于“发信”位置,由扬声器将话音变成电信号,经IC低频放大后,由输出耦合电容Cll、S2、R3、C4等将信号加到振荡管V的基极,使该管的bc结电容随着话音信号的变化而变化,而该管的bc结电容是并联在L1两端的,所以振荡电路的频率也随之变化,实现了调频的功能,并将已调波经电容器C3从天线发射出去。


V选用fT>=600MHz,B>=60的硅高频小功率管,如3DG80、3DG56等。L1用0.8mm漆包线平绕6圈,内径为6mm,然后拉长成间距1mm的空心线圈。L2用0.lmm漆包线在1/8W、100K电阻上绕l00圈而成。C1、C2、C3选用云母或高频瓷介电容。S2选用四刀二位拨动开关。BL选用直径为5cm的电动式喇叭。天线用0.8米拉杆天线(作无线话筒时可用同样长度的多股软线代替)。电源采用9V叠层电池。两部对讲机元器件参数应尽量一致。


调试时,先将S2置于“接收”位置,这时扬声器应有较大的噪声。用手摸一下三极管外壳噪声消失说明接收电路工作基本正常。然后将S2置于“发信”位置,取一台调频收音机放在附近,接收频率调到100MHz左右,这时收音机中应有较大的啸叫声,拉开约10米距离啸叫声消失,对准话筒发话,在收音机中应能听到清晰、宏亮的声音。若无声音或音小,可调整收音机的频率。待两部对讲机进行完上述调试后,进行互通试验,适当调整L1的间距使收、发信都能统一到同一个频率上。当与本地电台频率重叠时,需更换谐振电容C1,防止互相干扰,影响正常使用。

1、 本站不保证以上观点正确,就算是本站原创作品,本站也不保证内容正确。
2、如果您拥有本文版权,并且不想在本站转载,请书面通知本站立即删除并且向您公开道歉! 以上可能是本站收集或者转载的文章,本站可能没有文章中的元件或产品,如果您需要类似的商品请 点这里查看商品列表!
本站协议 | 版权信息 |  关于我们 |  本站地图 |  营业执照 |  发票说明 |  付款方式 |  联系方式
深圳市宝安区西乡五壹电子商行——粤ICP备16073394号-1;地址:深圳西乡河西四坊183号;邮编:518102
E-mail:51dz$163.com($改为@);Tel:(0755)27947428
工作时间:9:30-12:00和13:30-17:30和18:30-20:30,无人接听时可以再打手机13537585389