注意:访问本站需要Cookie和JavaScript支持!请设置您的浏览器! 打开购物车 查看留言付款方式联系我们
初中电子 单片机教材一 单片机教材二
搜索上次看见的商品或文章:
商品名、介绍 文章名、内容
首页 电子入门 学单片机 免费资源 下载中心 商品列表 象棋在线 在线绘图 加盟五一 加入收藏 设为首页
本站推荐:
用互补管制作电灯轻触开关
文章长度[1176] 加入时间[2006/7/1] 更新时间[2025/12/30 0:31:41] 级别[3] [评论] [收藏]

2003年,第11期,类别:电子制作


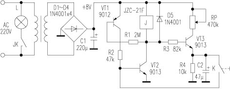
    本文介绍一款用互补三极管制作的电灯轻触开关电路,采用一只轻触开关,即可对电灯进行开和关控制,适合做多地控制一灯的开关或做时控开关使用。
    工作原理
    电路见图,220V交流电经变压器降压、D1~D4整流、C1滤波获得+8V直流电压,三极管VT1和VT2组成互补管放大器。接通电源后,因VT1基极无直流偏置通路,所以,VT1截止,VT2也截止,继电器不工作,其常开触点JK断开电灯回路,电灯L不亮。这时VT2集电极为高电位,使VT3导通,电容C2充电。当要开灯时,按一下轻触开关K,C2上的电压使VT2迅速饱和导通,继电器得电,其常开触点JK吸合,电灯L点亮。此时VT2集电极为低电位,使VT1基极有了电流通路而导通,电源经VT1的e、c极向VT2基极提供直流偏置,当轻触开关K跳开后,VT2仍能维持在饱和导通状态,电灯持续点亮。此时,VT2集电极低电位使VT3截止,C2经R4放完电。当要关灯时,按一下开关K,则VT2基极经C2接地,VT2截止,继电器失电,其常开触点JK断开,电灯L熄灭。同时因VT2截止,其集电极为高电平,又使VT1基极失去偏置而截止,当开关K跳开后,VT2将维持在截止状态不变,电灯L保持熄灭。此时VT2集电极的高电位使VT3导通,电容C2被充电。电路回到初始状态,实现了利用一只轻触开关对电灯进行开和关的控制。
    调试
    本电路需调试可调电阻RP,RP阻值若太小,则VT3的集电极电流大,对C2的充电速度也就很快。假设此前VT2处在饱和导通状态,C2已放完电,按下K后,VT2应迅速截止,而实际上,截止是有一个过程的。VT2基极通过C2接地时,VT2趋于截止,其集电极电压上升,VT3也将趋于导通。若RP阻值小得不适当,则VT3集电极电流增长过快,对C2的充电速度过快,以致于在VT2还没有来得及完全截止,C2电压已充得较高,而使VT2转为开始导通,电路的工作状态将会不确定。按图中元件数据,RP阻值只要大于290kΩ,即可使电路十分稳定地翻转。

                                    安徽  李诗海



 

1、 本站不保证以上观点正确,就算是本站原创作品,本站也不保证内容正确。
2、如果您拥有本文版权,并且不想在本站转载,请书面通知本站立即删除并且向您公开道歉! 以上可能是本站收集或者转载的文章,本站可能没有文章中的元件或产品,如果您需要类似的商品请 点这里查看商品列表!
本站协议 | 版权信息 |  关于我们 |  本站地图 |  营业执照 |  发票说明 |  付款方式 |  联系方式
深圳市宝安区西乡五壹电子商行——粤ICP备16073394号-1;地址:深圳西乡河西四坊183号;邮编:518102
E-mail:51dz$163.com($改为@);Tel:(0755)27947428
工作时间:9:30-12:00和13:30-17:30和18:30-20:30,无人接听时可以再打手机13537585389